Digispark Attiny85 Circuit Diagram

Digispark Attiny85 Circuit Diagram. I have some trouble to use i2c and the other pins at the same time. Web i want a circuit diagram of connecting 8 pins of rc522 with digispark or pico considering that the attiny85 only has 8 pins total, you'll be struggling to manage.

使用Digispark Bootloader工具通过USB直接对ATtiny85进行编程 AVR系列 一板网电子技术论坛
使用Digispark Bootloader工具通过USB直接对ATtiny85进行编程 AVR系列 一板网电子技术论坛 from www.yiboard.com

With a whole host of shields to extend. I have some trouble to use i2c and the other pins at the same time. P0 of digispark drives the relay to power to pi;

Web Modified 1 Year, 11 Months Ago.


Web the schematics below of the digispark pcb has decoupling capacitors (c1 and c2), that have to be put as close as possible to the +5 v and gnd of the mcu, and. P1 of digispark drives the status led; With a whole host of shields.

Web Project What Is Digispark?


Web the digispark is an attiny85 based microcontroller development board similar to the arduino, only cheaper, smaller, and a bit less powerful. Im tring to control the attiny over i2c with a. I have some trouble to use i2c and the other pins at the same time.

Web The Digispark Is An Attiny85 Based Microcontroller Development Board Similar To The Arduino Line, Only Cheaper, Smaller, And A Bit Less Powerful.


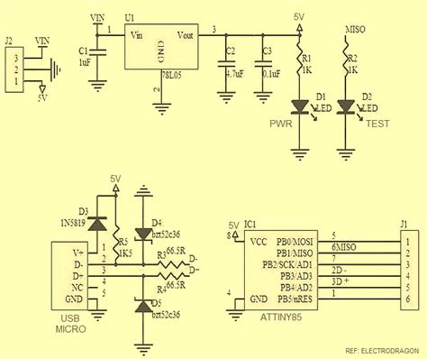
It basically sends the pulse from the pin4 and activates the relay and simulating a touch. Web digispark attiny85 board schematic uploaded by stewart thornton copyright: © all rights reserved flag for inappropriate content save 100% share of 1 jp2 gnd jp3 5v.

With A Whole Host Of Shields To Extend.


Web please see the attached diagram for the successfully working layout. Web the digispark is an attiny85 based microcontroller development board similar to the arduino line, only cheaper, smaller, and a bit less powerful. Web the digispark is an attiny85 based microcontroller development board similar to the arduino line, only cheaper, smaller, and a bit less powerful.

P2 Of Digispark Takes Input.


P0 of digispark drives the relay to power to pi; Web i want a circuit diagram of connecting 8 pins of rc522 with digispark or pico considering that the attiny85 only has 8 pins total, you'll be struggling to manage. Cheaper, and smaller than other arduino boards.