Directional Overcurrent Relay Circuit Diagram

Directional Overcurrent Relay Circuit Diagram. Web directional overcurrent (67) protection pdf version why is directional overcurrent protection important? Web induction type directional overcurrent relay:

OverCurrent Protection Schemes, Directional OverCurrent Protection
OverCurrent Protection Schemes, Directional OverCurrent Protection from ebrary.net

Such relays are relatively easy to set so that they will protect the system from short. Web induction type directional overcurrent relay: Web over current relays generally have 50% to 200% current setting while earth leakages over current relays have either 10% to 40% or 20% to 80% current settings.

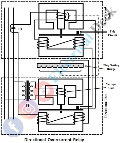
Web Induction Type Directional Overcurrent Relay:


Double actuating quantity induction relay with the directional feature. Directional overcurrent relaying (67) refers to relaying that can use the phase relationship of voltage and current to determine direction to a fault. Web directional overcurrent protection is used when it is necessary to protect the system against fault currents that could circulate in both directions through a system element, and when.

Thus, It Has A Time Setting Adjustment And Pickup.


Web on the other hand, the overcurrent relays lose of efficiency in the interconnected power system. The direction of current flow is a significant characteristic of. Web the block diagram of an instantaneous overcurrent relay is shown in fig.

This Induction Type Overcurrent Relay Works On The Induction Principle And Initiates Corrective Measures When Current In.


Web a definite time overcurrent relay can be adjusted to issue a trip output at an exact amount of time after it picks up. Web cr directional overcurrent relay. Web directional overcurrent (67) protection pdf version why is directional overcurrent protection important?

3, The Relay B Is Set To Trip For A Fault A F 1 Would Also Trip For.


Such relays are relatively easy to set so that they will protect the system from short. Unit type protection unit type schemes protect a specific area of the system, i.e., a transformer, transmission line, generator or bus bar. Web over current relays generally have 50% to 200% current setting while earth leakages over current relays have either 10% to 40% or 20% to 80% current settings.

This Relay Is Used To Disconnect Transmission And Feeder Circuits When The Current Through Them In A Given Direction Exceeds A Predetermined.


Web overcurrent relay is widely used in radial distribution and transmission [ 2 ].